Durchlaufpasteur PIETRIBIASI MICHELANGELO SRL

Nahrungsmittelmaschinen / Sonstige Nahrungsmittelmaschinen

Hersteller: Pietribiasi Michelangelo Srl

Modell: unbekannt

Maschinentyp: Durchlaufpasteur

Eintrags-Nr.: 168776767

Anzahl: 1

Datum: 26.02.2026

Baujahr: 2022 Gebrauchtmaschine

Standort: Land-de Deutschland Deutschland

Preis:


Maschine auf Lager: Nein

Positionsnummer des Verkäufers: INNO30859

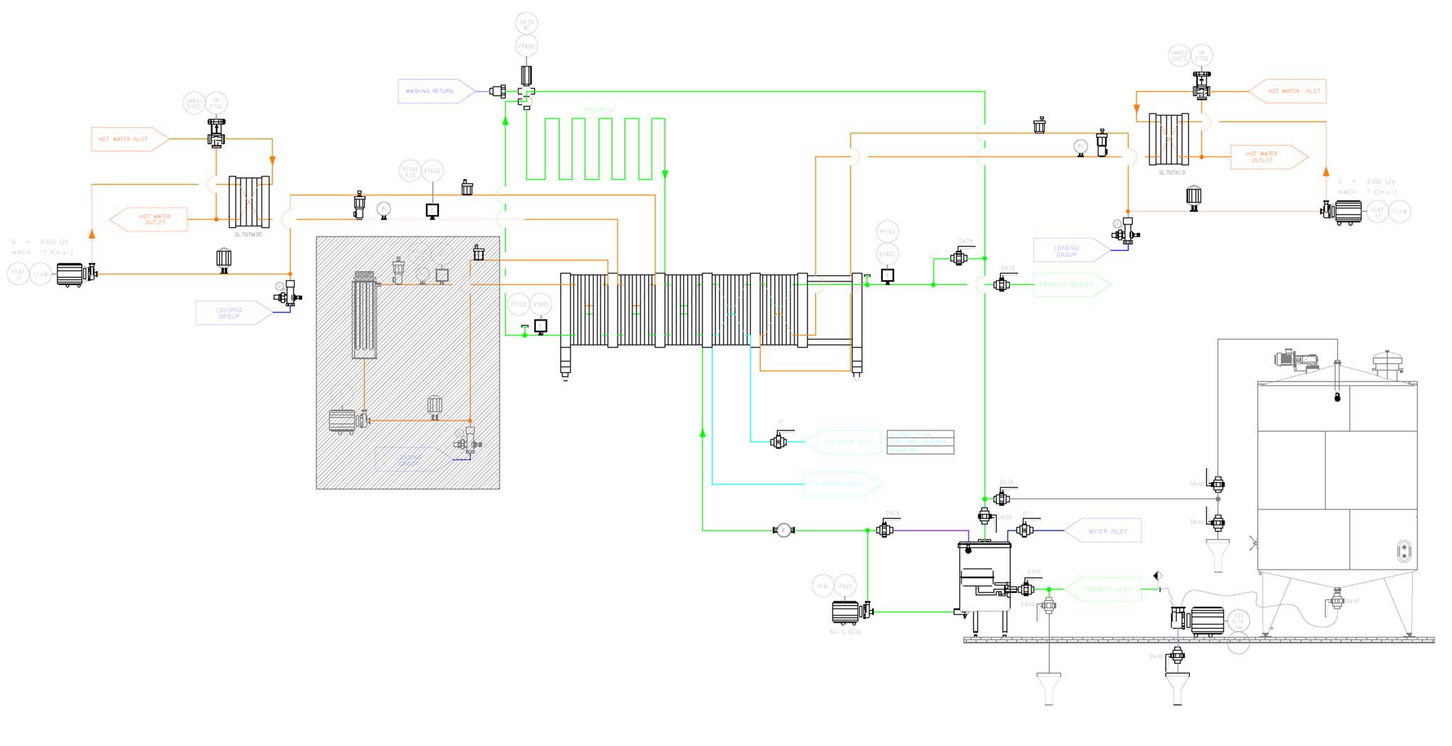
Es steht ein unbenutzter und noch originalverpackter Durchlaufpasteur Pietribiasi Michelangelo Srl zur Verfügung. Durchsatzleistung Milch: 1500l/h, Durchsatzleistung Rahm max. 40% Fett: 750l/h, Eingangstemperatur: 6°C, Pasteurisierung auf 68/74/88°C, Ausgangstemperatur: 6°C, Fassungsvermögen Vorlauftank-Ausgleichsbehälter: 100l. Mit Schleuderpumpe für Produkt und Reinigung, zusätzliche Abteilung und Heißwassergruppe, Plattenwärmetauscher stabile innerbetriebliche Konstruktion in AISI304, Spezial-Wärmetauscherplatten Sondex Dänemark in AISI316, Oberfläche je Platte: 0,08m², Durchflussvolumen je Platte: 0,21dm³, Spezialdichtungen aus Nitril snap-on ohne Leim, hydraulischer Testdruck: 8,0bar, Testtemperatur: 110°C, Wärmerückgewinnung: 85%, Temperaturverlauf 6-68/74/88-6/33/45°C - 4 Abteilungen, Endheizung Auslauf Käse/Joghurt: 33/45°C, Medien: ca. 3000+3000l/h Heißwasser 92°C, ca. 3000l/h Kühlwasser 2°C, Heißhalter für 15s, Ausführung Edelstahl AISI304, Umschaltsystem für Produkt zum Vorlaufbehälter mittels pneumatischem Umschaltventil sobald die Erhitzungstemperatur ca. 2°C unter dem Sollwert liegt, 2x Heißwasserbereiter für Pasteurisierung und Endheizung, geschlossener Kreislauf, Baugruppe zur automatischen Zuführung des Wassers, automatische Anlage zur Versorgung mit Heißwasser, Ausdehnungsgefäß, Pumpe, schweißgelöteter Wärmetauscher. Dokumentation vorhanden. Eine Besichtigung vor Ort ist möglich.
Diese Maschine auf Facebook
Diese Maschine als verkauft

Anfrageformular

Sind Sie Händler?

Bitte senden:

Gesuchsanfrage?

Kopie an Sie?

Eingabedaten speichern?

Es steht ein unbenutzter und noch originalverpackter Durchlaufpasteur Pietribiasi Michelangelo Srl zur Verfügung. Durchsatzleistung Milch: 1500l/h, Durchsatzleistung Rahm max. 40% Fett: 750l/h, Eingangstemperatur: 6°C, Pasteurisierung auf 68/74/88°C, Ausgangstemperatur: 6°C, Fassungsvermögen Vorlauftank-Ausgleichsbehälter: 100l. Mit Schleuderpumpe für Produkt und Reinigung, zusätzliche Abteilung und Heißwassergruppe, Plattenwärmetauscher stabile innerbetriebliche Konstruktion in AISI304, Spezial-Wärmetauscherplatten Sondex Dänemark in AISI316, Oberfläche je Platte: 0,08m², Durchflussvolumen je Platte: 0,21dm³, Spezialdichtungen aus Nitril snap-on ohne Leim, hydraulischer Testdruck: 8,0bar, Testtemperatur: 110°C, Wärmerückgewinnung: 85%, Temperaturverlauf 6-68/74/88-6/33/45°C - 4 Abteilungen, Endheizung Auslauf Käse/Joghurt: 33/45°C, Medien: ca. 3000+3000l/h Heißwasser 92°C, ca. 3000l/h Kühlwasser 2°C, Heißhalter für 15s, Ausführung Edelstahl AISI304, Umschaltsystem für Produkt zum Vorlaufbehälter mittels pneumatischem Umschaltventil sobald die Erhitzungstemperatur ca. 2°C unter dem Sollwert liegt, 2x Heißwasserbereiter für Pasteurisierung und Endheizung, geschlossener Kreislauf, Baugruppe zur automatischen Zuführung des Wassers, automatische Anlage zur Versorgung mit Heißwasser, Ausdehnungsgefäß, Pumpe, schweißgelöteter Wärmetauscher. Dokumentation vorhanden. Eine Besichtigung vor Ort ist möglich.
Verkäufer Angebot Nr. resale INNO30859
Diese Maschine auf Facebook
Diese Maschine als verkauft
Geprüfter
Händler

Verkäufer

Innovac GmbH

Innovac GmbH

Herr Thierry Bisso
12161 Berlin
Deutschland

RESALE Anbieter seit 2007

  • Maschinenliste (2000)

Anfrageformular

Sind Sie Händler?

Bitte senden:

Gesuchsanfrage?

(zu obiger Maschine eine Gesuchsanfrage an alle Händler senden)

Kopie an Sie?

(Kopie Ihrer Anfrage an Ihre Emailadresse)

Eingabedaten speichern?

(Eingabedaten für weitere Anfragen speichern)